2026年1月5日,【暗网威胁情报监测系统发现】,一份标称为“[USA NAVY] TOP SECRET Arleigh Burke-class DDG 52-78 Blueprints Leaked”的文件在网络上流传,涉及美国海军阿利·伯克级(Arleigh Burke-class)驱逐舰的敏感蓝图泄露。该泄露包括两份PDF文件(F2586248.pdf 和 F2586254.pdf),内容聚焦于鱼雷存储和处理系统的技术图纸。这些文件显示了MK46、MK50和MK54鱼雷的卡箍对齐、吊装系统和相关结构细节,标记为“TOP SECRET”级别。

背景信息:阿利·伯克级驱逐舰是美国海军的核心资产,自1991年起服役,DDG 52-78指特定批次舰艇(如USS Barry DDG-52等)。这些舰艇携带MK46/50/54鱼雷,用于反潜作战。
泄露文件分析
泄露的文件为两份PDF文档,每份一页,内容为工程蓝图。以下基于文件内容的详细解析:
文件1:F2586248.pdf
- 标题与结构:图纸标为“DETAIL 28-A”,焦点为“TORPEDO STOWAGE CHOCK ALIGNMENT PLACARD”(鱼雷存储卡箍对齐标牌)。分为多个部分(A至F),对应舰体框架(frames)25至32。
- 关键细节:
- MK54 Stowage Chock Alignment:显示MK54鱼雷的卡箍对齐,包含尺寸标注(如10英寸、20英寸)和重力中心(Center of Gravity)位置。
- MK50 Stowage Chock Alignment:类似结构,标注鱼雷吊装强背(strongback)和支撑细节。
- MK46 Stowage Chock Alignment:包括鱼雷鼻锥(nose cone)和尾部对齐,带有故障点(fault on)标注。
- 其他元素:缩放比例为1/2″=1′-0″,底部表格显示“SHIP CODE / WP / NSWC DRAWING NO. REV”信息,包括代码F 53711 750 7487007。图纸强调“SEE NOTE 3-1”,可能指向附加说明。
- 敏感性评估:该文件揭示鱼雷存储系统的精确布局和对齐要求,可能暴露舰艇内部空间利用和武器装载弱点。
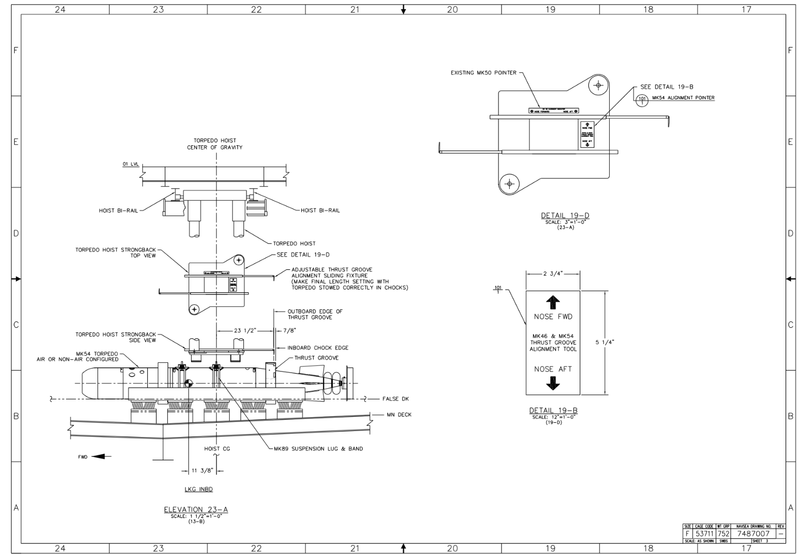
文件2:F2586254.pdf
- 标题与结构:图纸标为“ELEVATION 23-A”,焦点为“LKG. INBD.”(可能指Locking Inboard,内侧锁定)。分为侧视图(Side View)和顶视图(Top View),对应框架17至24。
- 关键细节:
- Torpedo Hoist Strongback:显示鱼雷吊装系统,包括空气或非空气配置(Air or Non-Air Configured)。标注吊装中心重力(Hoist CG)和悬挂凸耳(MK83 Suspension Lug & Band)。
- MK54 Alignment Pointer:包括鼻锥前部(Nose FWD)和后部(Nose AFT)的对齐工具,尺寸如1 1/4英寸和2 3/4英寸。
- Existing MK50 Pointer:与现有MK50鱼雷指针集成,带有推力凹槽(Thrust Groove)和假甲板(False Dk)标注。
- 其他元素:缩放比例为1/2″=1′-0″,图纸编号与文件1一致(7487007,Sheet 3)。包括细节19-B和19-A,焦点在指针和吊轨(Hoist Bi-Rail)。
- 敏感性评估:该文件详述鱼雷吊装和对齐机制,可能允许对手模拟或针对性攻击舰艇的反潜系统。
这些蓝图虽非完整舰体设计,但聚焦于关键子系统(鱼雷存储与处理),若结合其他情报,可用于逆向工程或漏洞利用。文件标记“TOP SECRET”,表明其为受控军事文档。
© 版权声明
文章版权归作者所有,未经允许请勿转载。
THE END











暂无评论内容